
| 參數表 | ||
| A 軸額定 / 最大扭矩 | 715/1350Nm | |
| A 軸額定功率 | 7.5kW | |
| A 軸額定電流 | 32.6A | |
| A 軸最高轉速 | 60rpm | |
| A 軸抱緊扭矩 | 4000(60bar)Nm | |
| A 軸轉角范圍 | ±180° | |
| A 軸編碼器類型 | 絕對式 | |
| A 軸定位精度 | 8"VDI3441 | |
| A 軸重復定位精度 | 4"VDI3441 | |
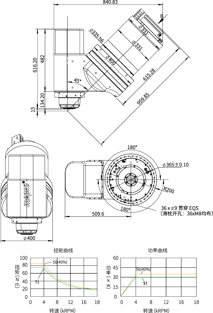
| 主軸參數 | 72Nm主軸 | |
| 主軸 S1/S6扭矩 | 72/85Nm | |
| 主軸額定/最高轉速 | 4000/18000rpm | |
| 主軸額定功率 | 30kW | |
| 主軸額定電流 | 70(S1)/82(S2) | |
| 刀柄 | BT50-45°/SK50 | |
| 軸承潤滑方式 | 油脂潤滑 | |
| 中心出水 | 0.8-4Mpa | |
| 總重量 | 495kg | |


