
| C 軸參數 | |
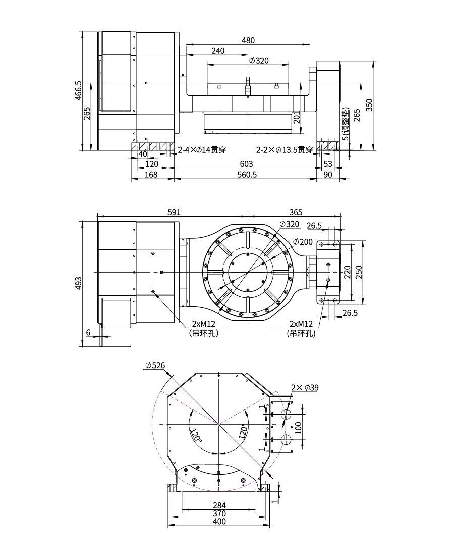
| 臺面直徑 | 320mm |
| 臺面承重 | 200kg |
| C 軸最高轉速 | 100rpm |
| C 軸額定扭距 | 100Nm |
| C 軸轉角范圍 | nx360° |
| C 軸抱緊扭矩 | 800Nm |
| A 軸參數 | |
| A 軸額定扭矩 | 350Nm |
| A 軸最高轉速 | 100rpm |
| A 軸抱緊扭距 | 2000Nm (60bar) |
| A 軸轉角范圍 | ±120° |
| A 軸編碼器類型 | 絕對式 |
| A 軸定位精度 | 8"VDI3441 |
| A 軸重復定位精度 | 4"VDI3441 |
| 總重量 | 390kg |

| C 軸參數 | |
| 臺面直徑 | 320mm |
| 臺面承重 | 200kg |
| C 軸最高轉速 | 100rpm |
| C 軸額定扭距 | 100Nm |
| C 軸轉角范圍 | nx360° |
| C 軸抱緊扭矩 | 800Nm |
| A 軸參數 | |
| A 軸額定扭矩 | 350Nm |
| A 軸最高轉速 | 100rpm |
| A 軸抱緊扭距 | 2000Nm (60bar) |
| A 軸轉角范圍 | ±120° |
| A 軸編碼器類型 | 絕對式 |
| A 軸定位精度 | 8"VDI3441 |
| A 軸重復定位精度 | 4"VDI3441 |
| 總重量 | 390kg |