
| C軸參數 | ||
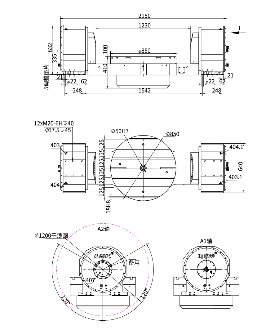
| 臺面直徑 | 850mm | |
| 最大承載 | 1200kg | |
| 最大工件回轉直徑 | 1200mm | |
| C 軸額定扭矩 | 2100Nm | |
| C 軸最高轉速 | 700rpm | |
| C 軸額定電流 | 55A | |
| C 軸額定功率 | 11kW | |
| C 軸抱緊扭矩 | 4000(60bar)Nm | |
| C 軸轉角范圍 | nx360° | |
| C 軸編碼器類型 | 絕對式 | |
| C 軸定位精度 | 8"VDI3441 | |
| C 軸重復定位精度 | 4"VDI3441 | |
| A軸參數 | ||
| A 軸額定扭矩 | 4200Nm | |
| A 軸額定功率 | 6.6×2kW | |
| A 軸最高轉速 | 30rpm | |
| A 軸額定電流 | 31×2A | |
| A 軸抱緊扭矩 | 8000(60bar)Nm | |
| A 軸轉角范圍 | ±120° | |
| A 軸編碼器類型 | 絕對式 | |
| A 軸定位精度 | 8"VDI3441 | |
| A 軸重復定位精度 | 4"VDI3441 | |
| 總重量 | 2850kg | |


